Rear Brake pic
Moderators: User administrators, Moderators
- Realize
- Registered user
- Posts: 9
- Joined: 03 Oct 2008, 21:23
- 80-90 Mem No: 5993
- Location: Bedfordshire
Rear Brake pic
Hi Guys
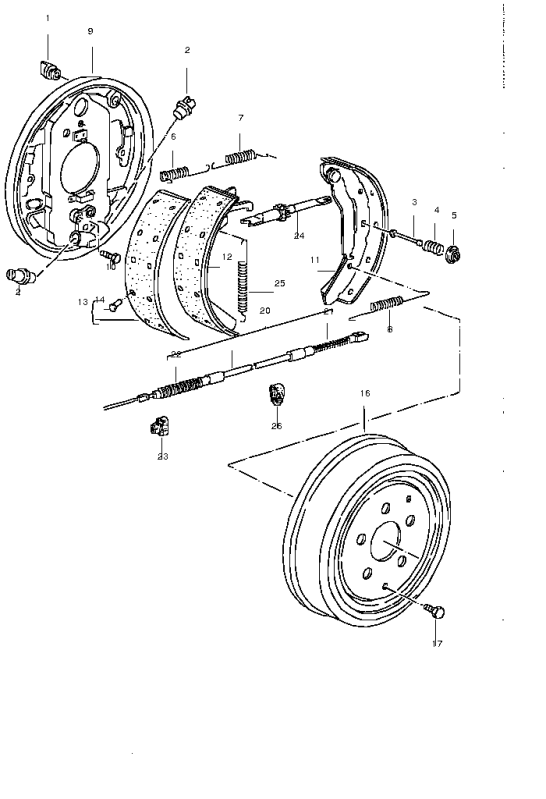
Can anyone post a pic or a link to show the rear brakes set up, I need to double check that I have got the springs back in place correctly as my pedal still
bottoms out.
Cheers J
Can anyone post a pic or a link to show the rear brakes set up, I need to double check that I have got the springs back in place correctly as my pedal still
bottoms out.
Cheers J
Everything is Connected. 5993 Air Cooled T25 Westy LHD
- kevtherev
- Registered user
- Posts: 18832
- Joined: 23 Oct 2005, 20:13
- 80-90 Mem No: 2264
- Location: Country estate Wolverhampton Actually
Re: Rear Brake pic
springs won't affect pedal travel.
Some more info needed please..
have you lost pedal on the brakes completely?
or is it firming half way down?
half way would indicate mal adjusted shoes.
Some more info needed please..
have you lost pedal on the brakes completely?
or is it firming half way down?
half way would indicate mal adjusted shoes.
AGG 2.0L 8V. (Golf GTi MkIII)
- Gunslinger
- Registered user
- Posts: 1426
- Joined: 16 Jul 2007, 14:14
- 80-90 Mem No: 3874
- Location: 3874 Leighton Buzzard
- Realize
- Registered user
- Posts: 9
- Joined: 03 Oct 2008, 21:23
- 80-90 Mem No: 5993
- Location: Bedfordshire
Re: Rear Brake pic
I have fitted new pads and shoes, and have adjusted the rear by rotating the drum until the shoes start catching while hand brake was slackened off.
Refitted wheels and adjusted handbrake up. But still the pedal will sometimes bottom out allthough they are working ish.
Not sure what is going on. Is there a brake servo that could be faulty?
It is an Aircooled lhd westy x reg.
Cheers
Refitted wheels and adjusted handbrake up. But still the pedal will sometimes bottom out allthough they are working ish.
Not sure what is going on. Is there a brake servo that could be faulty?
It is an Aircooled lhd westy x reg.
Cheers
Everything is Connected. 5993 Air Cooled T25 Westy LHD
- Gunslinger
- Registered user
- Posts: 1426
- Joined: 16 Jul 2007, 14:14
- 80-90 Mem No: 3874
- Location: 3874 Leighton Buzzard
Re: Rear Brake pic
You say it "sometimes" bottoms out. When does this occur? Have you recently replaced front wheel bearings?
- Realize
- Registered user
- Posts: 9
- Joined: 03 Oct 2008, 21:23
- 80-90 Mem No: 5993
- Location: Bedfordshire
Re: Rear Brake pic
I cant get the brakes to lock up in an emergency if I step on the pedal with any force it hits the metal stop while still slowing down but wont lock up.
This is probably worse at low speed no new bearings fitted.
Jay
This is probably worse at low speed no new bearings fitted.
Jay
Everything is Connected. 5993 Air Cooled T25 Westy LHD
-
jamesandtheopenroad
- Registered user
- Posts: 693
- Joined: 23 May 2010, 20:46
- 80-90 Mem No: 8279
- Location: London
Re: Rear Brake pic
In regards to a different post, did you sort out the fuel leak?
"our doubts are traitors, and make us lose the good we oft might win, by fearing to attempt" Mr W Shakespeare
1990 VW T25 Transporter
1.9 DG 78ps
LPG'd by Gasure
1990 VW T25 Transporter
1.9 DG 78ps
LPG'd by Gasure
- Realize
- Registered user
- Posts: 9
- Joined: 03 Oct 2008, 21:23
- 80-90 Mem No: 5993
- Location: Bedfordshire
Re: Rear Brake pic
Hi James
My fuel pipe came this afternoon so will be on to that other job soon as.
Jay
My fuel pipe came this afternoon so will be on to that other job soon as.
Jay
Everything is Connected. 5993 Air Cooled T25 Westy LHD
- Nicola&Tony
- Registered user
- Posts: 2674
- Joined: 01 Nov 2006, 18:18
- 80-90 Mem No: 3095
- Location: Wallsend, Tyne & Wear
Re: Rear Brake pic
There's a photo of rear brake set-up in this thread:
https://club8090.co.uk/forum/viewtopic.p ... 6#p7491246" onclick="window.open(this.href);return false;
. . . but yours sounds like a hydraulics problem. Were you having this problem before you changed pads and shoes?
Tony
https://club8090.co.uk/forum/viewtopic.p ... 6#p7491246" onclick="window.open(this.href);return false;
. . . but yours sounds like a hydraulics problem. Were you having this problem before you changed pads and shoes?
Tony
Looking for: window apertures for side windows, at the back of the van
T25; 1985; RHD; 1.9DG petrol / LPG; white Autosleeper high-top; Looking rusty again!
LT31; 1993; RHD; 2.4L petrol; high-top; diy camper project.
T25; 1985; RHD; 1.9DG petrol / LPG; white Autosleeper high-top; Looking rusty again!
LT31; 1993; RHD; 2.4L petrol; high-top; diy camper project.
- T'Onion
- Moderator
- Posts: 10812
- Joined: 07 Oct 2005, 17:39
- 80-90 Mem No: 255
- Location: Sheffield or 07737167005
Re: Rear Brake pic
sounds like you have the spring on the wrong way round , recheck them
victus in mutuo vicis
Ego mori tu mori
Ego mori tu mori
